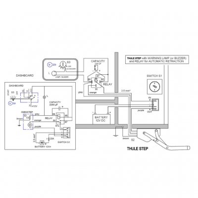
Thule Slide-Out Step G2 - Relä för Öppning/Stängning
Med ett Relä till Thule Slide-Out Step kan du koppla så att fotsteget automatiskt fälls in när du startar motorn. Tar bort risken med att köra med utfällt trappsteg under färd.
LÄS MERPassar till: Thule Slide-Out G2 12V & Thule Step 12V
Koppla in ett relä till Thule Slide-Out Step G2 eller Thule Step 12V för att automatisera infällningen av fotsteget när du startar motorn. Reläet ökar säkerheten genom att förhindra att steget är utfällt under körning, samtidigt som det ger extra bekvämlighet. En smart och enkel lösning för tryggare resor.
| Varumärke | Thule |
| Passar till | Thule Slide-Out Step G2 12V & Thule Step 12V |
Den här produkten har endast fått betyg men inga recensioner.










BESTÄLL IDAG SÅ SKICKAR VI PÅ MÅNDAG
Prisgaranti
60 dagar öppet köp
Fri frakt över 500 kr